
ANTIK DC box DC 01
ANTIK DC box DC 01 - T1 + T2

Rozvaděč ANTIK DC BOX 1 s přepěťovou ochranou 1000V pro 1 string FV panelů je spolehlivým řešením pro domácnosti i menší podniky. Obsahuje pojistku proti nadproudu , která chrání string před zkratem nebo přetížením, a přepěťovou ochranu typu T1/T2 , která účinně eliminuje účinky bleskových výbojů a přepěťových špiček. Díky těmto prvkům poskytuje zařízení vysokou míru bezpečnosti a prodlužuje životnost FV systému.

Maximální bezpečnost pro vaši fotovoltiku
ANTIK DC BOX 1 spolehlivě chrání váš FV systém před přepětími i nadproudy. Díky kombinaci pojistky a ochrany T1+T2 zajistí dlouhou životnost a stabilní provoz.

Přepěťová ochrana T1/T2 pro fotovoltaické systémy
ANTIK DC jednostringový box poskytuje spolehlivou ochranu pro jeden string fotovoltaických panelů při jmenovitém napětí až 1000 V DC, čímž zaručuje jejich dlouhodobý a stabilní provoz. Vestavěná přepěťová ochrana typu T1/T2 účinně eliminují riziko poškození způsobeného přepětími z přímých i nepřímých úderů blesku nebo ze spínacích špiček. Robustní konstrukce a kvalitní elektroinstalační prvky snižují riziko výpadků a nákladných oprav, zatímco optimalizovaná vnitřní architektura zajišťuje spolehlivý tok energie do střídače.
Klíčové výhody:
- Přepěťová ochrana T1/T2 – spolehlivá ochrana proti bleskovým výbojům i spínacím přepětím.
- Maximální bezpečnost systému – minimalizuje riziko požáru, zkratu a poškození FV komponentů.
- Robustní a odolná konstrukce – vhodná i pro náročné vnější podmínky a dlouhodobý provoz.

Spolehlivá přepěťová ochrana a vysoká izolační rezerva
Vnitřní zapojení ANTIK DC BOX 1 je vybaveno přepěťovou ochranou a kvalitními elektroinstalačními prvky, které zaručují stabilní a bezpečný provoz po celá léta. Jmenovité izolační napětí až 400V AC a 1500V DC poskytuje rezervu i pro náročnější instalace a snižuje riziko výpadků nebo poškození. To činí z tohoto zařízení ideální řešení pro domácnosti i menší komerční projekty.
Parametry ochrany:
- Počet PV stringů: 1
- Počet přepěťových ochran: 1
- Jmenovité izolační napětí: 400V AC, 1500V DC

DC pojistkový holder na ochranu proti nadproudu
Pojistkový holder ATK-RT132 je určen pro obvody s pojistkami se jmenovitým stejnosměrným napětím až do 1 000 V a jmenovitým proudem 16 A. Používají se v sériově-paralelním zapojení s fotovoltaickými panely a bateriemi. Poskytují ochranu proti zkratu v nabíjecích měničích a zároveň chrání fotovoltaické elektrárny, kombinované invertorové a usměrňovací systémy před zkratem.
Pojistky umožňují rychlou ochranu proti nárazovému, resp. zkratovému proudu ve fotovoltaických systémech se jmenovitou proudovou průraznou schopností až 33 kA. Produkt splňuje národní standard GB/T13539.6 a mezinárodní standard IEC60269-6.

Pojistka (nadproudová ochrana)
Pojistková vložka je vyrobena ze stříbrného pásku s variabilním průřezem, který zaručuje přesné a spolehlivé přerušení proudu při překročení jmenovité hodnoty. Tento pásek je uložen v pojistkovém pouzdře z vysokopevnostního materiálu, odolného vůči mechanickému namáhání i tepelným vlivům.
Pouzdro je naplněno chemicky zpracovaným vysokopuritním křemičitým pískem, který v kombinaci se speciálními chemickými látkami účinně tlumí elektrický oblouk vznikající při rozpojení obvodu. Konce pojistky jsou bodově svařovány a pevně spojeny s kontakty, což zajišťuje dlouhodobou stabilitu, nízký přechodový odpor a bezpečný provoz i při náročných podmínkách fotovoltaických instalací.

Přepěťová ochrana T1+T2
Přepěťová ochrana ATK-SPDE40 je určena pro stejnosměrné fotovoltaické systémy se jmenovitým pracovním napětím 550 V DC. Zařízení spolehlivě chrání FV panely, měniče a další komponenty před impulsními přepětími způsobenými bleskovými výboji nebo spínacími špičkami.
- Třída T1 zajišťuje odolnost vůči přímým nebo blízkým úderům blesku s velmi vysokou energií
- Třída T2 chrání systém před častějšími spínacími přepětími a vzdálenými výboji.
- V kombinaci poskytují komplexní a dlouhodobou ochranu pro celý FV systém.
Vyznačuje se vysokou vybíjecí kapacitou až 40 kA (8/20 μs), krátkou dobou odezvy 25 ns a nízkou úrovní ochrany jen 1,8 kV. Díky širokému rozsahu pracovních teplot od –40 °C do +85 °C je vhodná pro dlouhodobý a spolehlivý provoz i v náročných podmínkách.

Odolný design pro exteriér, rychlá a úsporná instalace
Díky robustní konstrukci a třídě krytí IP65 je zařízení chráněno proti prachu, vlhkosti a stříkající vodě, což umožňuje jeho použití i v náročných exteriérových podmínkách.
Díky intuitivnímu zapojení a přehlednému vnitřnímu uspořádání je zařízení vhodné pro profesionální i domácí fotovoltaické instalace.
Obsah balení:
- 1× ANTIK DC Box Jednostringový ATK-DC01
- 1× Originální balení s označením produktu
Technické parametry:
- Rozměry: 201 × 202 × 120 mm
- Hmotnost: 2,2 kg
- Třída ochrany: IP65

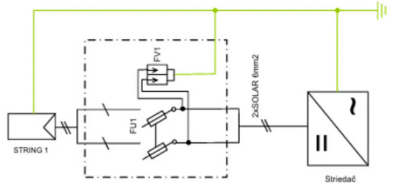
Jednopólové schéma zapojení DC boxu
Jednopólové schéma zobrazuje zapojení jednoho FV stringu přes pojistku (nadproudová ochrana) a přepěťovou ochranu (SPD) do střídače. Pojistka chrání systém před nadměrným proudem nebo zkratem, zatímco SPD odvádí nebezpečná přepětí do země. Výsledkem je bezpečný a spolehlivý přenos energie z panelů do měniče.
Časté dotazy: ANTIK DC Box Jednostringový ATK-DC01
K čemu slouží ANTIK DC BOX 1? - ANTIK DC BOX 1 chrání jeden FV string (do 1000V) před přepětími způsobenými bleskem nebo spínacími špičkami. Zabraňuje poškození FV panelů, měniče a dalších komponentů.
Jaký typ přepěťové ochrany obsahuje? - Je vybaven přepěťovou ochranou typu T1/T2 , která zajišťuje ochranu před přímými i nepřímými účinky blesku a před přepětími ze sítě.
Je vhodný pouze pro stejnosměrná zapojení? - Ano, ANTIK DC BOX 1 je určen na DC stranu fotovoltaického systému – konkrétně pro připojení mezi FV panely a měničem.
Kolik stringů dokáže chránit? - Tento model je jednostringový , což znamená, že chrání jeden samostatný FV string.
Vyžaduje údržbu? - Přepěťová ochrana může po silném zásahu blesku vyžadovat výměnu modulu. Doporučuje se pravidelná vizuální kontrola a test funkčnosti dle doporučení výrobce.
Technická specifikace
Výrobce: ANTIK Technology
Počet FV řetězců: 1
Počet svodičů přepětí: 1
Svodič přepětí: Phoenix T1/T2
Jmenovité napětí z řidiče přepětí: 600 V DC
Počet pojistkových odpojovačů : 1
Typ pojistky: válcová 10 x 38 mm 5 let
Maximální proud Jmenovité izolační napětí: 1 500V DC Hmotnost: 2,20 kg Rozměry: 201 x 202 x 120 mm
