
ANTIK DC box DC 02 - ochrana pro 2 stringy
ANTIK DC box DC 02 - T1 + T2

Rozvodná skříňka ANTIK DC BOX 2 s přepěťovou ochranou 1000V pro 2 stringy FV panelů je spolehlivým řešením pro domácnosti i komerční instalace. Obsahuje 2 pojistky proti nadproudu, které chrání oba stringy před zkratem nebo přetížením, a dvojitou přepěťovou ochranu typu T1/T2, která účinně eliminuje účinky bleskových výbojů a přepěťových špiček. Díky těmto prvkům poskytuje zařízení vysokou míru bezpečnosti, zvyšuje stabilitu provozu a prodlužuje životnost celé FV instalace.

Maximální bezpečnost pro vaši fotovoltiku
ANTIK DC BOX 2 spolehlivě chrání dva FV stringy před přepětími i nadproudy. Díky kombinaci pojistek a ochrany T1+T2 zajišťuje dlouhou životnost a stabilní provoz celé fotovoltaické instalace.

DC rozvaděč pro fotovoltiku se jmenovitým napětím do 1000 V
ANTIK DC dvoustringový box poskytuje spolehlivou ochranu pro dva stringy fotovoltaických panelů při jmenovitém napětí až 1000 V DC, čímž zaručuje jejich dlouhodobý a stabilní provoz. Vestavěné přepěťové ochrany typu T1/T2 účinně eliminují riziko poškození způsobeného přepětími z přímých i nepřímých úderů blesku nebo ze spínacích špiček. Robustní konstrukce a kvalitní elektroinstalační prvky snižují riziko výpadků a nákladných oprav, zatímco optimalizovaná vnitřní architektura zajišťuje spolehlivý tok energie do střídače.
Klíčové výhody:
- Přepěťová ochrana T1/T2 – spolehlivá ochrana proti bleskovým výbojům i spínacím přepětím.
- Maximální bezpečnost systému – minimalizuje riziko požáru, zkratu a poškození FV komponentů.
- Robustní a odolná konstrukce – vhodná i pro náročné vnější podmínky a dlouhodobý provoz.

Dvojitá přepěťová ochrana T1/T2 a vysoká izolační rezerva
Vnitřní zapojení ANTIK DC BOX 2 je vybaveno dvěma pojistkovými odpojovači a dvěma přepěťovými ochranami typu T1/T2, které zajišťují stabilní a bezpečný provoz pro dva nezávislé FV stringy. Jmenovité izolační napětí 400V AC a 1500V DC poskytuje dostatečnou rezervu i pro náročnější instalace, čímž se minimalizuje riziko výpadků a poškození komponentů. Díky spolehlivým elektroinstalačním prvkům je tento box ideálním řešením pro domácnosti i komerční fotovoltaické projekty.
Parametry ochrany:
- Počet PV stringů: 2
- Počet přepěťových ochran: 2
- Jmenovité izolační napětí: 400V AC, 1500V DC

DC pojistkový holder na ochranu proti nadproudu
Pojistkový holder ATK-RT132 je určen pro obvody s pojistkami se jmenovitým stejnosměrným napětím až do 1000 V DC a jmenovitým proudem 16 A. Využívá se v sériově-paralelním zapojení s fotovoltaickými panely a bateriemi, kde poskytuje spolehlivou ochranu proti zkratu v nabíjecích měničích a zároveň chrání FV elektrárny, invertorové i usměrňovací systémy.
Pojistky zajišťují rychlou reakci na nárazové a zkratové proudy s průraznou schopností až 33 kA, čímž výrazně zvyšují bezpečnost celé instalace. Produkt splňuje národní standard GB/T13539.6 i mezinárodní standard IEC60269-6, což garantuje jeho vysokou spolehlivost a kompatibilitu v moderních fotovoltaických systémech.

Pojistka (nadproudová ochrana)
Pojistková vložka je vyrobena ze stříbrného pásku s variabilním průřezem, který zaručuje přesné a spolehlivé přerušení proudu při překročení jmenovité hodnoty. Tento pásek je uložen v pojistkovém pouzdře z vysokopevnostního materiálu, odolného vůči mechanickému namáhání i tepelným vlivům.
Pouzdro je naplněno chemicky zpracovaným vysokopuritním křemičitým pískem, který v kombinaci se speciálními chemickými látkami účinně tlumí elektrický oblouk vznikající při rozpojení obvodu. Konce pojistky jsou bodově svařovány a pevně spojeny s kontakty, což zajišťuje dlouhodobou stabilitu, nízký přechodový odpor a bezpečný provoz i při náročných podmínkách fotovoltaických instalací.

Přepěťová ochrana T1+T2
Přepěťová ochrana ve dvoustringovém DC Boxu ATK-DC02 je určena pro stejnosměrné fotovoltaické systémy se jmenovitým pracovním napětím až 1000 V DC. Spolehlivě chrání FV panely, měniče a další komponenty před impulsními přepětími způsobenými bleskovými výboji nebo spínacími špičkami.
- Třída T1 zajišťuje odolnost vůči přímým nebo blízkým úderům blesku s velmi vysokou energií
- Třída T2 chrání systém před častějšími spínacími přepětími a vzdálenými výboji.
- V kombinaci poskytují komplexní a dlouhodobou ochranu pro celý FV systém.
Ochrana se vyznačuje vysokou vybíjecí kapacitou až 40 kA (8/20 μs), krátkým časem odezvy 25 ns a nízkou úrovní ochrany jen 1,8 kV . Díky širokému rozsahu pracovních teplot od –40 °C do +85 °C je vhodná pro dlouhodobý a spolehlivý provoz i v náročných podmínkách.

Odolný design pro exteriér, rychlá a úsporná instalace
Díky robustní konstrukci a třídě krytí IP65 je zařízení spolehlivě chráněno proti prachu, vlhkosti a stříkající vodě, což umožňuje jeho bezproblémové použití i v náročných exteriérových podmínkách.
Díky intuitivnímu zapojení a přehlednému vnitřnímu uspořádání je zařízení vhodné pro profesionální i domácí fotovoltaické instalace.
Obsah balení:
- 1× ANTIK DC Box Dvoustringový ATK-DC02
- 1× Originální balení s označením produktu
Technické parametry:
- Rozměry: 201 × 202 × 120 mm
- Hmotnost: 2,2 kg
- Třída ochrany: IP65

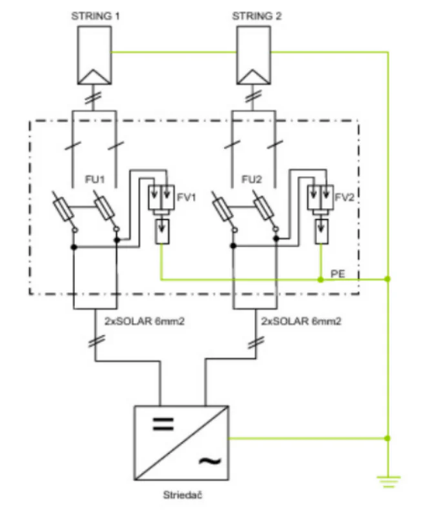
Jednopólové schéma zapojení DC boxu
Jednopólové schéma zapojení DC Boxu ATK-DC02 znázorňuje připojení dvou FV stringů do společné rozvodné skříňky. Každý string je vybaven vlastní pojistkou (FU1 a FU2), která chrání obvod před nadproudem nebo zkratem, a přepěťovou ochranou (FV1 a FV2) typu T1/T2, která účinně odvádí přepětí způsobená údery blesku nebo spínacími špičkami do země přes ochranný vodič PE.
Z každého stringu následně vedou výstupní vodiče 2×SOLAR 6 mm² do střídače, kde se stejnosměrný proud přeměňuje na střídavý. Toto zapojení zajišťuje nezávislou a spolehlivou ochranu pro oba stringy a přispívá k dlouhodobé stabilitě celého fotovoltaického systému.

Obsah balení a technické informace
Díky intuitivnímu zapojení a přehlednému vnitřnímu uspořádání je zařízení vhodné pro profesionální i domácí fotovoltaické instalace.
Obsah balení:
- 1× ANTIK DC rozvaděč (dvoustringový)
- 1× Originální balení s označením produktu
Technické informace:
– Záruka: 2 roky
– Rozměry: 201 × 202 × 120 mm
– Hmotnost: 2,2 kg
Časté dotazy: ANTIK DC box dvoustringový ATK-DC02
- K čemu slouží ANTIK DC BOX 2? ANTIK DC BOX 2 chrání fotovoltaické panely, měniče a další komponenty před nadproudem a přepětími. Zabezpečuje bezpečný provoz systému, prodlužuje jeho životnost a minimalizuje riziko poruch.
- Jaký typ přepěťové ochrany obsahuje? Box je vybaven přepěťovou ochranou typu T1+T2 značky Phoenix, která kombinuje ochranu proti přímým i nepřímým bleskovým výbojům a spínacím přepětím.
- Je vhodný pouze pro stejnosměrná zapojení? Ano, ANTIK DC BOX 2 je určen pro stejnosměrné FV systémy s pracovním napětím do 1000 V DC.
- Kolik stringů dokáže chránit? Tento model je navržen pro dva stringy fotovoltaických panelů , přičemž každý má vlastní pojistku i přepěťovou ochranu.
- Vyžaduje údržbu? Zařízení je navrženo pro bezúdržbový provoz . Doporučuje se však pravidelná vizuální kontrola při servisních prohlídkách FV systému, aby se ověřil stav pojistek a přepěťové ochrany.
Technické parametry DC BOXU ATK-DC02 (dvoustringový)
- Počet FV řetězců: 2
- Počet svodičů přepětí: 2
- Svodič přepětí: Phoenix T1/T2
- Jmenovité napětí z řidiče přepětí: 1000 V DC
- Počet pojistkových odpojovačů: 2
- Typ pojistky: válcová 10 × 38 mm
- Maximální proud: 16 A
- Krytí: IP65
- Záruka: 5 let
- Jmenovité izolační napětí: 1500 V DC
- Hmotnost: 2,20 kg
- Rozměry: 201 × 202 × 120 mm
Technické parametry pojistky ATK-PV-30
- Jmenovité napětí (V): 1000
- Jmenovitý proud (A): 16
- Rozměry (mm) D×L: 10×38
- Ztráta výkonu (W): ≤ 4,5
Technické parametry přepěťové ochrany ATK-PV-1000
- Jmenovitá výbojová kapacita (8/20 μs): 40 kA
- Max. výbojová kapacita Imax (8/20 μs): 40 kA
- Úroveň ochrany Up (kV): ≤ 1,8
- Doba odezvy (ns): ≤ 25
- Jmenovité pracovní napětí Un (VDC): 1000
- Trvalé pracovní napětí Uc (VDC): 1000
- Unikající proud (µA): ≤ 20
- Provozní teplota: –40 °C až +85 °C
